• HP omen 17 board DA0G3LMBCG0 rev: G - identifying missing resistors around Bios

Pravila foruma:Klikni tukaj za prikaz pravil na forumu

  1. Naslov teme mora vsebovati: proizvajalca naprave, poln model in kratek opis okvare.
  2. Sporočilo teme mora vsebovati: oznako tiskanega vezja (v primeru popravil strojne opreme), razširjen opis okvare, kaj je bilo preverjeno, zamenjano in/ali izmerjeno, sklep in vprašanje. Če ne morete najti oznake tiskanega vezja, morate prebrati TO TEMO. Če še vedno ne najdete oznake, prosim objavite kakovostne fotografije obeh strani matične plošče - potrebno je odstraniti vse folije in module, ki bi lahko zakrivali te oznake.
  3. Pred objavo nove teme, preberite vse teme v podforumu USPOSABLJANJA, in naredite predhodno diagnostiko na podlagi vsebine teh usposabljanj.
  4. Nalaganje celotnih navodil/shem, BIOS / firmware datotek, ali objavljanje povezav, ki vodijo do drugih spletnih strani s takšnimi datotekami, je SROGO PREPOVEDANO. Lahko objavite le majhen del navodil/shem, ali povezavo na BIOS datoteko v podforumu NEVERIFICIRANE DATOTEKE BIOS/EFI. V eni temi ne smete objaviti več kot eno stran navodil/shem. Datoteka ne sme vsebovati vidnih žigov "zaupno",, e-poštnih naslovov ipd.
  5. V eni temi lahko opišete SAMO eno napravo. Za vsako drugo okvarjeno napravo morate odpreti novo temo.
  6. Zahteve za sheme, boardview, fotografije matičnih plošč, datoteke BIOS-a ali servisne priročnike za storitve NISO DOVOLJENE. Če želite vprašati za katero koli od teh, odprite novo temo v podforumu ZAHTEVA ZA DOKUMENTACIJO & DATOTEKO BIOS/EFI.
Ta tema je označena kot ARHIVSKA. Odgovorite samo, če vaše sporočilo vsebuje rešitev (Pravila in Pogoji, 12.1).

#1 HP omen 17 board DA0G3LMBCG0 rev: G - identifying missing resistors around Bios


Napisal/-a mohkam 7 Oktober 2025, 16:20
Hello,
I need urgently Schematic or Boardview of Omen 17 Platform : DA0G3LMBCG0 rev: G - with not triggering Issue. Only +3.3V is present. Failing Bios 77L12865F replaced with W25Q128FVSG with no result. Resistors around the Bios as shown on the attached schematic(marked with blue circle)) are missing and their value needs to be identified.
Thanks for any help
Slika

Re: HP omen 17 board DA0G3LMBCG0 rev: G - identifying missing resistors around Bios


Napisal/-a Google Adsense [BOT] 7 Oktober 2025, 16:20

#2 Re: HP omen 17 board DA0G3LMBCG0 rev: G - identifying missing resistors around Bios


Napisal/-a Vogelek23 7 Oktober 2025, 16:48
All marked resistors are 15Ω/5% (0201 footprint).

#3 Re: HP omen 17 board DA0G3LMBCG0 rev: G - identifying missing resistors around Bios


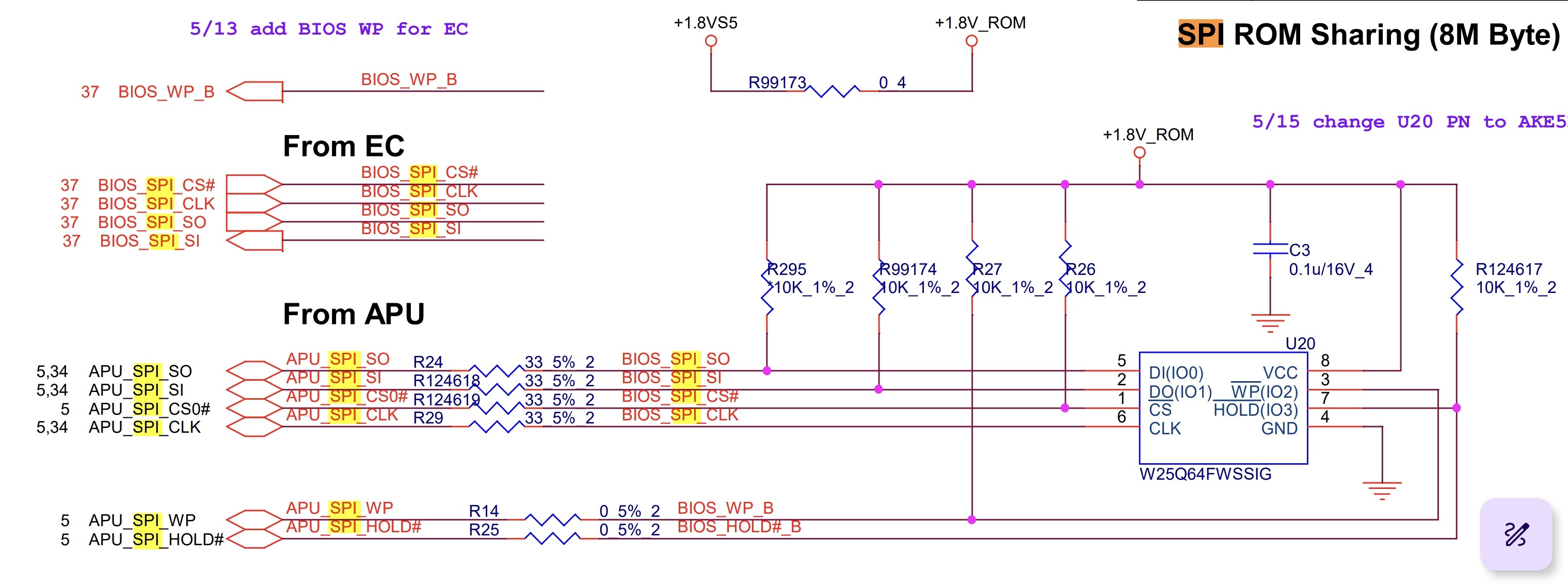
Napisal/-a wof 7 Oktober 2025, 17:02
SPIROM part schematic from Quanta G3HA - probably similar...
Slika

#4 Re: HP omen 17 board DA0G3LMBCG0 rev: G - identifying missing resistors around Bios


Napisal/-a mohkam 7 Oktober 2025, 17:31
Thanks "wof" for the diagram.
By the way is DA0G3LMBCG0 schematic available somewhere ? I googled it, with no result.

#5 Re: HP omen 17 board DA0G3LMBCG0 rev: G - identifying missing resistors around Bios


Napisal/-a Vogelek23 7 Oktober 2025, 17:56
mohkam napisal/-a:is DA0G3LMBCG0 schematic available somewhere ?
No, not yet at the moment.

wof napisal/-a:SPIROM part schematic from Quanta G3HA - probably similar...
I'm afraid G3HA is different with this particular circuit. Quanta G3L is more similar to G3LA for which boardview is available on our forum. Although that boardview has no component values, they can be easily guessed by net names.

Re: HP omen 17 board DA0G3LMBCG0 rev: G - identifying missing resistors around Bios


Napisal/-a Google Adsense [BOT] 7 Oktober 2025, 17:56
Ta tema je označena kot ARHIVSKA. Odgovorite samo, če vaše sporočilo vsebuje rešitev (Pravila in Pogoji, 12.1).

Kdo je na strani

Po forumu brska: 0 registriranih uporabnikov in 3 gostov

_______________________________
Vse pravice pridržane. Nepooblaščeno kopiranje vsebine te spletne strani ali njenega dela je strogo prepovedano.
Vse blagovne znamke, izdelki ali storitve, objavljene na tej spletni strani, pripadajo njihovim zakonitim lastnikom, so avtorsko zaščitene in se uporabljajo samo v informativne namene.