Witam.
Potrzebuję pomocy przy analizie detekcji zasilacza w płycie LA-K701P Rev: 1D.
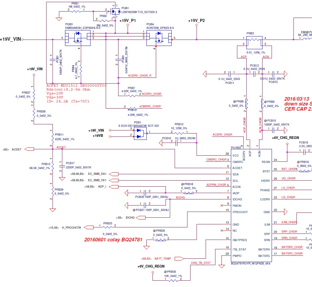
Jeśli dobrze analizuję schemat to charger PU1802 powinien dostać na pin 6 sygnał detekcji zasilacza wytworzony przez dzielnik napięcia PRB11 i PRB13 (w schemacie jest chyba błąd z kierunkiem sygnału). Wydaje mi się, iż pojawienie się tego sygnału może zaburzyć PQ101: jeśli na jego bramce będzie napięcie większe od źródła (około 5,7V - tworzone przez dzielnik PR102 i PR103), to nastąpi połączenie dren-źródło co daje nam na drenie masę, a tym samym masę pomiędzy PRB11 i PRB13, co sprawia, że dzielnik nie zadziała i nie będziemy mieli sygnału ACDET. Czy dobrze wnioskuję, że aby detekcja się powiodła na drenie PQ101 nie powinno być masy, a co za tym idzie sygnał ADAPDET powinien być w zasadzie równy 0V a nie około 5,7V? Tak czysto teoretycznie wylutowanie tego tranzystora PQ101 powinno chyba przywrócić detekcję? I jeszcze pytanie jaka w zasadzie powinna być w końcu wartość tego sygnału ADAPDET przy podłączonym zasilaczu? Czy faktycznie ma to być stan niski? Jak on jest wtedy realizowany? Zwykłe zwarcie do masy w gnieździe?


Potrzebuję pomocy przy analizie detekcji zasilacza w płycie LA-K701P Rev: 1D.
Jeśli dobrze analizuję schemat to charger PU1802 powinien dostać na pin 6 sygnał detekcji zasilacza wytworzony przez dzielnik napięcia PRB11 i PRB13 (w schemacie jest chyba błąd z kierunkiem sygnału). Wydaje mi się, iż pojawienie się tego sygnału może zaburzyć PQ101: jeśli na jego bramce będzie napięcie większe od źródła (około 5,7V - tworzone przez dzielnik PR102 i PR103), to nastąpi połączenie dren-źródło co daje nam na drenie masę, a tym samym masę pomiędzy PRB11 i PRB13, co sprawia, że dzielnik nie zadziała i nie będziemy mieli sygnału ACDET. Czy dobrze wnioskuję, że aby detekcja się powiodła na drenie PQ101 nie powinno być masy, a co za tym idzie sygnał ADAPDET powinien być w zasadzie równy 0V a nie około 5,7V? Tak czysto teoretycznie wylutowanie tego tranzystora PQ101 powinno chyba przywrócić detekcję? I jeszcze pytanie jaka w zasadzie powinna być w końcu wartość tego sygnału ADAPDET przy podłączonym zasilaczu? Czy faktycznie ma to być stan niski? Jak on jest wtedy realizowany? Zwykłe zwarcie do masy w gnieździe?

