Правила форуму: Натисніть тут для перегляду правил форуму
- Назва теми має містити: виробника пристрою, повну модель та короткий опис проблеми.
- Пост має містити: код маркування друкованої плати (необхідний у разі ремонту обладнання), розширений опис проблеми, речі, які ви перевірили/замінили/виміряли, ваші висновки та запитання. Якщо ви не можете знайти код маркування друкованої плати, прочитайте ЦЮ ТЕМУ. Якщо ви все ще не можете знайти маркування друкованої плати, завантажте фотографії з високою роздільною здатністю обох сторін друкованої плати - необхідно видалити всі плівки, модулі або кронштейни, які можуть покривати ці позначки.
- Перш ніж публікувати нову тему, прочитайте всі теми підфоруму НАВЧАННІ і проведіте попередню діагностику на основі змісту цих тренінгів.
- Завантаження будь-яких повних схем, бордвю, файлів БІОС / прошивки або будь-якої іншої документації (або посилань на веб-сайти з такими файлами) СТРОГО ЗАБОРОНЕНО. Ви можете опублікувати лише невелику частину документації або посилання на файл БІОС на підфорумі НЕПЕРЕВІРЕНІ ФАЙЛИ БІОС що спростити діагностику або ремонт. Вам не дозволяється публікувати більше однієї повної сторінки інструкції/схеми на одну тему. Файл, який ви публікуєте, не повинен містити водяних знаків, «конфіденційних» тегів, посилань чи адрес електронної пошти та не може бути захищений паролем.
- Дозволено описувати лише один несправний пристрій у одній темі - ви завжди повинні відкривати нову тему для кожного наступного пристрою.
- Запит повних схем, бордвю, файлів БІОС або будь-якої іншої документації ЗАБОРОНЕНО на цьому підфорумі. Якщо вам потрібно попросити щось із цього, вам слід відкрити нову тему в підфорумі ЗАПИТ НА ДОКУМЕНТАЦІЮ ТА БІОС.
Re: Re: Dell 5770 CAL53 LA-F611P brak reakcji na zasilaczu, brak ładowania baterii
Google Adsense [BOT] • 24 Липня 2023, 22:26
#42 Re: Dell 5770 CAL53 LA-F611P brak reakcji na zasilaczu, brak ładowania baterii
LukaszBsKrakow • 24 Липня 2023, 23:24
#43 Re: Dell 5770 CAL53 LA-F611P brak reakcji na zasilaczu, brak ładowania baterii
clops35 • 25 Липня 2023, 00:05
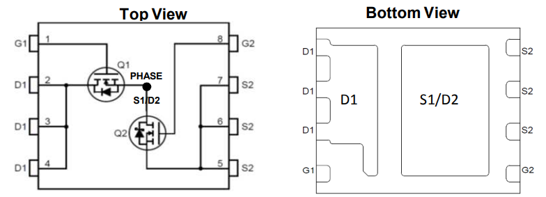
LukaszBsKrakow написав:PQB4? może chodziło Ci o PQB04? Jeśli tak to...Tak o to chodziło.
LukaszBsKrakow написав:PQB01Prosiłem o pomiar na n.1 i 8, te masfety mają wyprowadzenia jak na zdjęciu.
n.1 n.7 0V
n.2 19,6V
PQB02
n.1 n.7 0V
Zmierz napięcia na:
PLB01,
PRB12,
n.1, 2, 3, 5, 7, 9, 11, 31 PUB01,
n.1, 4, 5 PQB03,
po obu stronach PRB11.
#44 Re: Dell 5770 CAL53 LA-F611P brak reakcji na zasilaczu, brak ładowania baterii
LukaszBsKrakow • 25 Липня 2023, 05:39
Ok, sugerowałem się oznaczeniem na boardview i mnie zmyliło co do tych mosfetów.
PQB01
n.1 0V
n.8 0V
PQB02
n.1 0V
n.8 0,2V
PLB01 - 0V (a za pierwszym razem jak podpiąłem ładowarkę po wlutowaniu wszystkich rzeczy było 17,8V)
PRB12 0,5V
PUB01:
n.1 n.2 n.3 0,5V
n.5 0,04V
n.7 0V
n.9 0V
n.11 0V
n.31 0,3V
PQB03
n.1 0,3V
n.4 0V
n.5 0V
PRB11
n.1 VDD CHG 5V
n.2 ACAV IN1 0V? (przebity rezystor?)
PQB01
n.1 0V
n.8 0V
PQB02
n.1 0V
n.8 0,2V
PLB01 - 0V (a za pierwszym razem jak podpiąłem ładowarkę po wlutowaniu wszystkich rzeczy było 17,8V)
PRB12 0,5V
PUB01:
n.1 n.2 n.3 0,5V
n.5 0,04V
n.7 0V
n.9 0V
n.11 0V
n.31 0,3V
PQB03
n.1 0,3V
n.4 0V
n.5 0V
PRB11
n.1 VDD CHG 5V
n.2 ACAV IN1 0V? (przebity rezystor?)
#46 Re: Dell 5770 CAL53 LA-F611P brak reakcji na zasilaczu, brak ładowania baterii
LukaszBsKrakow • 25 Липня 2023, 22:54
#48 Re: Dell 5770 CAL53 LA-F611P brak reakcji na zasilaczu, brak ładowania baterii
LukaszBsKrakow • 26 Липня 2023, 08:46
#50 Re: Dell 5770 CAL53 LA-F611P brak reakcji na zasilaczu, brak ładowania baterii
LukaszBsKrakow • 26 Липня 2023, 09:42
#52 Re: Dell 5770 CAL53 LA-F611P brak reakcji na zasilaczu, brak ładowania baterii
LukaszBsKrakow • 26 Липня 2023, 17:23
Po wymianie chargera świeci się pod termowizją PQB07 36stopni.
Napięcie na PL301 0V
Pomiary PUB01
n.1 12V
n.3 12V
n.4 5V
n.5 0,2V
n.7 0V
n.8 5V
n.9 0V
n.11 0,2V
n.12 4,8V
n.14 19,6V
n.21 0V
n.24 0,01V
n.31 11,8V
n.32 4,8V
Co może obciążać PQB07?
Edit:
Przeglądając jeszcze płytę natrafiłem na coś takiego jak na zdjęciu. Czy to może mieć wpływ na takie dziwne zachowanie?

EDIT:2
Po podlutowaniu tej przelotki, teraz mam takie objawy że na PL301 wskakuje mi 3,4V i spada do 0V i tak w koło. Dodatkowo zaświecają się na sekundę cewki od GPU i gasną...
Napięcie na PL301 0V
Pomiary PUB01
n.1 12V
n.3 12V
n.4 5V
n.5 0,2V
n.7 0V
n.8 5V
n.9 0V
n.11 0,2V
n.12 4,8V
n.14 19,6V
n.21 0V
n.24 0,01V
n.31 11,8V
n.32 4,8V
Co może obciążać PQB07?
Edit:
Przeglądając jeszcze płytę natrafiłem na coś takiego jak na zdjęciu. Czy to może mieć wpływ na takie dziwne zachowanie?
EDIT:2
Po podlutowaniu tej przelotki, teraz mam takie objawy że na PL301 wskakuje mi 3,4V i spada do 0V i tak w koło. Dodatkowo zaświecają się na sekundę cewki od GPU i gasną...
#53 Re: Dell 5770 CAL53 LA-F611P brak reakcji na zasilaczu, brak ładowania baterii
clops35 • 26 Липня 2023, 18:47
Jakie jest napięcie na PLB01?
Zmierz rezystancję pomiędzy n.4 PQB07 i PLB01 (piny PQB7 licz jak w poście #43) jeśli będzie nisko PQB01, lub PQB07 jest uszkodzony i należy znaleźć który i go wymienić, jeśli wysoko rozlutuj PJP302 i PJP303 i sprawdź czy na PL301 utrzyma się napięcie przez dłuższy czas.
Zmierz rezystancję pomiędzy n.4 PQB07 i PLB01 (piny PQB7 licz jak w poście #43) jeśli będzie nisko PQB01, lub PQB07 jest uszkodzony i należy znaleźć który i go wymienić, jeśli wysoko rozlutuj PJP302 i PJP303 i sprawdź czy na PL301 utrzyma się napięcie przez dłuższy czas.
#54 Re: Dell 5770 CAL53 LA-F611P brak reakcji na zasilaczu, brak ładowania baterii
LukaszBsKrakow • 26 Липня 2023, 21:41
Teraz po krótkiej przerwie, podłączyłem zasilacz jeszcze raz i 3 razy zaświeciły cewki od GPU i przestały.
Napięcie na PL301 3,4V na PL501 5,1V na PLB01 0,4V oraz na PLH01 mam 1V (zasilanie mostka?)
Dalej nagrzewa się PQB07 35stopni.
Rezystancja między n.4 PQB07 a PLB01 50k Ohm a między n.4 PQB01 a PLB01 700k Ohm
Napięcie na PL301 3,4V na PL501 5,1V na PLB01 0,4V oraz na PLH01 mam 1V (zasilanie mostka?)
Dalej nagrzewa się PQB07 35stopni.
Rezystancja między n.4 PQB07 a PLB01 50k Ohm a między n.4 PQB01 a PLB01 700k Ohm
#56 Re: Dell 5770 CAL53 LA-F611P brak reakcji na zasilaczu, brak ładowania baterii
LukaszBsKrakow • 27 Липня 2023, 02:19
Po wymianie PQB07 (na używany, nie mam już nowych) rezystancja pozostaje taka sama 50 k Ohm.
Jednak płyta już napięć nie ma. Brak 3V 5V i 1V
Wróciłem do starego mosfetu i dalej to samo, płyta już nie ma napięć jest dalej średnio martwa. Nie ma zwarć nie odcina jej, jednak brakuje tych podstawowych napięć, które się pojawiły wcześniej.
EDIT:
Zmierzyłem ponownie cewki, spadła mi rezystancja na PLH01 mam teraz 8 ohm, wcześniej było 50Ohm.
Czyli tutaj może być jeszcze coś nie tak? Ściągnę mosfet przy cewce i zobaczymy czy zwarcie ustąpi.
Jednak płyta już napięć nie ma. Brak 3V 5V i 1V
Wróciłem do starego mosfetu i dalej to samo, płyta już nie ma napięć jest dalej średnio martwa. Nie ma zwarć nie odcina jej, jednak brakuje tych podstawowych napięć, które się pojawiły wcześniej.
EDIT:
Zmierzyłem ponownie cewki, spadła mi rezystancja na PLH01 mam teraz 8 ohm, wcześniej było 50Ohm.
Czyli tutaj może być jeszcze coś nie tak? Ściągnę mosfet przy cewce i zobaczymy czy zwarcie ustąpi.
#57 Re: Dell 5770 CAL53 LA-F611P brak reakcji na zasilaczu, brak ładowania baterii
clops35 • 27 Липня 2023, 07:44
Zmierz rezystancje do masy na n.6 UZ9 i UZ15,
Zmierz rezystancję pomiędzy PLH01 i n.6 UZ9,
zmierz rezystancję pomiędzy PLH01 i n.6 UZ15.
Jeśli rezystancja pomiędzy tymi punktami będzie wysoka rozlutuj PJPH02 i PJPH03 i po stronie niskiej rezystancji wykonaj próbę zwarciową, podczas testu nie przekraczaj napięcia 1V.
Zwróć szczególną uwagę czy nagrzewa się PCH, być może będzie trzeba zostawić płytę na tym teście kilka minut by zauważyć grzejący się element.
Coś jeszcze mi nie pasuje .
Zmierz rezystancję pomiędzy n.4 PQB01 i n.4 PQB07.
Zmierz rezystancję pomiędzy PLH01 i n.6 UZ9,
zmierz rezystancję pomiędzy PLH01 i n.6 UZ15.
Jeśli rezystancja pomiędzy tymi punktami będzie wysoka rozlutuj PJPH02 i PJPH03 i po stronie niskiej rezystancji wykonaj próbę zwarciową, podczas testu nie przekraczaj napięcia 1V.
Zwróć szczególną uwagę czy nagrzewa się PCH, być może będzie trzeba zostawić płytę na tym teście kilka minut by zauważyć grzejący się element.
Coś jeszcze mi nie pasuje .
Zmierz rezystancję pomiędzy n.4 PQB01 i n.4 PQB07.
#58 Re: Dell 5770 CAL53 LA-F611P brak reakcji na zasilaczu, brak ładowania baterii
LukaszBsKrakow • 27 Липня 2023, 08:33
#59 Re: Dell 5770 CAL53 LA-F611P brak reakcji na zasilaczu, brak ładowania baterii
clops35 • 27 Липня 2023, 08:44
LukaszBsKrakow написав:Rezystancja między n.4 PQB01 oraz n.4 PQB07 0,2 OhmDziwi mnie ta rozbieżność.
LukaszBsKrakow написав:Rezystancja między n.4 PQB07 a PLB01 50k Ohm a między n.4 PQB01 a PLB01 700k Ohm
clops35 написав: rozlutuj PJPH02 i PJPH03 i po stronie niskiej rezystancji wykonaj próbę zwarciową, podczas testu nie przekraczaj napięcia 1V.
Zwróć szczególną uwagę czy nagrzewa się PCH, być może będzie trzeba zostawić płytę na tym teście kilka minut by zauważyć grzejący się element.
#60 Re: Dell 5770 CAL53 LA-F611P brak reakcji na zasilaczu, brak ładowania baterii
LukaszBsKrakow • 27 Липня 2023, 08:58
Re: Dell 5770 CAL53 LA-F611P brak reakcji na zasilaczu, brak ładowania baterii
Google Adsense [BOT] • 27 Липня 2023, 08:58
Хто зараз онлайн
Зараз переглядають цей форум: Немає зареєстрованих користувачів і 4 гостей
_______________________________Всі права захищені. Заборонено копіювати будь-який вміст та елементи веб-сайту без дозволу.
Усі торгові марки, назви брендів, продукти чи послуги, опубліковані на цьому веб-сайті, належать їхнім законним власникам і використовувались лише в інформаційних цілях.
