Правила форуму: Натисніть тут для перегляду правил форуму
- Назва теми повинна містити короткий опис проблеми.
- Тема повідомлення має містити розгорнутий опис проблеми та питання.
- Забороняється публікувати вкладення з повною документацією або файлами БІОС, а також посилатися на будь-які сторонні веб-сайти, на яких розміщені такі файли. Дозволяється публікувати лише невелику частину документації (до однієї сторінки на пост).
- Ви можете описати лише одну проблему на тему. Для кожної іншої проблеми слід відкривати нову тему.
- Тут суворо заборонено вимагати будь-яку документацію чи файли БІОС. Для таких запитів використовуйте підфорум ЗАПИТ НА ДОКУМЕНТАЦІЮ/БІОС.
Ця тема позначена як АРХІВНИЙ. Відповідайте лише в тому випадку, якщо ваша відповідь містить рішення проблеми (Правила Форуму, п. 12.1).
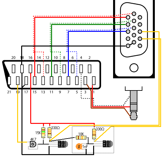
Re: convert VGA to SCART
Google Adsense [BOT] • 12 Жовтня 2013, 21:40
if it does not work try this
http://www.uyduturk.com/forum/dreambox-500-serisi/21787-scart-to-vga-devre-yapimi.html
http://www.uyduturk.com/forum/dreambox-500-serisi/21787-scart-to-vga-devre-yapimi.html
I finished interface with LM and unfortunaly it does not work.
I recheck connections and similiar everything looks fine.
When I connect ,TV can not recognize laptop (dark screen with av1 logo).
In some short moment I get massage "av1 automatic" but no picture.
But on laptop I hear sound as (device is connected).
I try to play with graphic settings and etc, nothing helped.
Also I try to connect with one old crt television same problem.
Now my kids are disappointed far as me and my wife.
Any suggestion is welcome ,please.
Cable is not shielded but I thing it should work.
thanks

I recheck connections and similiar everything looks fine.
When I connect ,TV can not recognize laptop (dark screen with av1 logo).
In some short moment I get massage "av1 automatic" but no picture.
But on laptop I hear sound as (device is connected).
I try to play with graphic settings and etc, nothing helped.
Also I try to connect with one old crt television same problem.
Now my kids are disappointed far as me and my wife.
Any suggestion is welcome ,please.
Cable is not shielded but I thing it should work.
thanks

Yes, I´m pretty shure that it have.
I do not have problem regarding dvd players and similar devices.
Now I have and second crt TV.I try on them also,same problem.
I doubt that vga out on lapton is maybe bad.Decide to test it with my PC monitor.
Connected them via VGA & VGA cable everything working good (dual,single mode).
if only scart connected to TV:
On two crt TV and plasma on scart pin8 there is no voltage so I do not
understand how is LM supplyed.Regarding schematic pin8 from scart should supply LM on pin8 since it is Vcc.
if I connect and vga also ,then I get 2-3V.
no picture
I remove pin8 and add external supply , still same problem.
I do not have problem regarding dvd players and similar devices.
Now I have and second crt TV.I try on them also,same problem.
I doubt that vga out on lapton is maybe bad.Decide to test it with my PC monitor.
Connected them via VGA & VGA cable everything working good (dual,single mode).
if only scart connected to TV:
On two crt TV and plasma on scart pin8 there is no voltage so I do not
understand how is LM supplyed.Regarding schematic pin8 from scart should supply LM on pin8 since it is Vcc.
if I connect and vga also ,then I get 2-3V.
no picture
I remove pin8 and add external supply , still same problem.
Re: convert VGA to SCART
Google Adsense [BOT] • 17 Жовтня 2013, 12:22
Ця тема позначена як АРХІВНИЙ. Відповідайте лише в тому випадку, якщо ваша відповідь містить рішення проблеми (Правила Форуму, п. 12.1).
| Подібні Теми |
|---|
| How do I convert BoardView .fz files to other formats? For example, DXF. Or IDF |
| [ЗАПИТ СХЕМ] DATZ1UB1AD0 - Nvidia VGA GTS 250M - Qosmio X500 [РІШЕНО] |
Хто зараз онлайн
Зараз переглядають цей форум: Немає зареєстрованих користувачів і 3 гостей
_______________________________Всі права захищені. Заборонено копіювати будь-який вміст та елементи веб-сайту без дозволу.
Усі торгові марки, назви брендів, продукти чи послуги, опубліковані на цьому веб-сайті, належать їхнім законним власникам і використовувались лише в інформаційних цілях.


