Правила форума: Нажмите здесь, чтобы посмотреть правила этого форума
Re: Schemat Lenovo G580 Compal QIWG5_G6_G9 LA-7981P LA-7982P LA-7984P LA-7987P LA-7988P
от Google Adsense [BOT] • 6 Ноябрь 2012, 09:38
#9 Re: Schemat Lenovo G580 Compal QIWG5_G6_G9 LA-7981P LA-7982P LA-7984P LA-7987P LA-7988P
от Konrad92 • 5 Сентябрь 2016, 20:48
Wsad BIOS (MAIN + PCH + EC)
Model: Lenovo G580
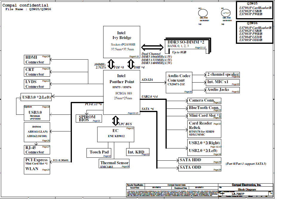
Platforma: Compal QIWG6 LA-7988P Rev: 1.0
CPU: Intel Core i3-2348M SR0TD / i3-3110M SR0N1/ Pentium B960 SR07V
GPU: NVIDIA N14M-GL-B-A2
PCH: Intel BD82HM76 SLJ8E
EC: ENE KB9012QF A3
BIOS IC: Q32-104HIP (4MB) + QH16-104HIP (2MB) + KB9012QF (128kB)
ZWERYFIKOWANY (riki, koper912, zwir, jendrasso, Ab4dd0n)
Model: Lenovo G580
Platforma: Compal QIWG6 LA-7988P Rev: 1.0
CPU: Intel Core i3-2348M SR0TD / i3-3110M SR0N1/ Pentium B960 SR07V
GPU: NVIDIA N14M-GL-B-A2
PCH: Intel BD82HM76 SLJ8E
EC: ENE KB9012QF A3
BIOS IC: Q32-104HIP (4MB) + QH16-104HIP (2MB) + KB9012QF (128kB)
ZWERYFIKOWANY (riki, koper912, zwir, jendrasso, Ab4dd0n)
#10 Re: Schemat Lenovo G580 Compal QIWG5_G6_G9 LA-7981P LA-7982P LA-7984P LA-7987P LA-7988P
от Vogelek23 • 17 Март 2022, 23:18
ELVIKOM LAB Ltd - Apple Repairs & PCB Design - Free Quotes! https://www.elvikom.co.uk
Jeśli skorzystałeś z mojej pomocy na Forum, możesz w ramach podziękowania wspomóc jego rozwój. Kliknij tutaj, aby dowiedzieć się więcej.
Jeśli skorzystałeś z mojej pomocy na Forum, możesz w ramach podziękowania wspomóc jego rozwój. Kliknij tutaj, aby dowiedzieć się więcej.
Re: Schemat Lenovo G580 Compal QIWG5_G6_G9 LA-7981P LA-7982P LA-7984P LA-7987P LA-7988P
от Google Adsense [BOT] • 7 Ноябрь 2022, 23:58
Кто сейчас на конференции
Сейчас этот форум просматривают: нет зарегистрированных пользователей и гости: 0
_______________________________Все права защищены. Вы не можете копировать любой контент и элементов этого сайта без разрешения.
Все торговые марки, продукты или услуги, опубликованные на этом сайте принадлежат их законным владельцам, защищены авторским правом и используются только в информационных целях.






