Zasady działu: Kliknij, aby przejrzeć zasady tego działu
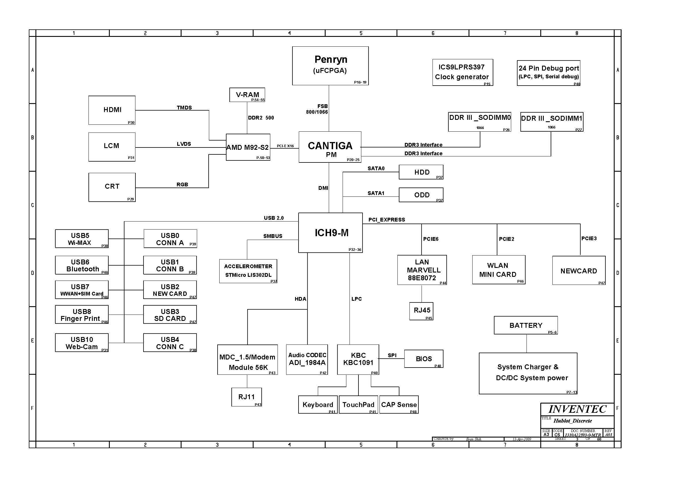
Re: Schemat HP ProBook 4311S 6050A2259301-MB Hublot-Discrete
przez Google Adsense [BOT] • 8 marca 2011, 10:15
Re: Schemat HP ProBook 4311S 6050A2259301-MB Hublot-Discrete
przez Google Adsense [BOT] • 13 stycznia 2014, 20:56
Kto przegląda forum
Użytkownicy przeglądający ten dział: Brak zidentyfikowanych użytkowników i 0 gości
_______________________________Wszelkie prawa zastrzeżone. Zabrania się kopiowania jakichkolwiek treści i elementów witryny bez zezwolenia.
Wszelkie opublikowane na tej stronie znaki handlowe, nazwy marek, produktów czy usług należą do ich prawnych właścicieli i zostały użyte wyłącznie w celach informacyjnych.



